At89C2051 Programmer Circuit Diagram

At89C2051 Programmer Circuit Diagram. This circuit may be a bit. The port 2 output buffers can sink/source four ttl inputs.

AT89C2051 Based Electronic Dice Detailed Project Available
AT89C2051 Based Electronic Dice Detailed Project Available from www.electronicsforu.com

Web i wanted a programmer for at89c2051 or for at89cxx. Web now the at89c2051 microcontroller has been prepared in advance, and then i will explain the debugging methods and steps in detail: Philips rc5 remote dimmer with pic16f628.

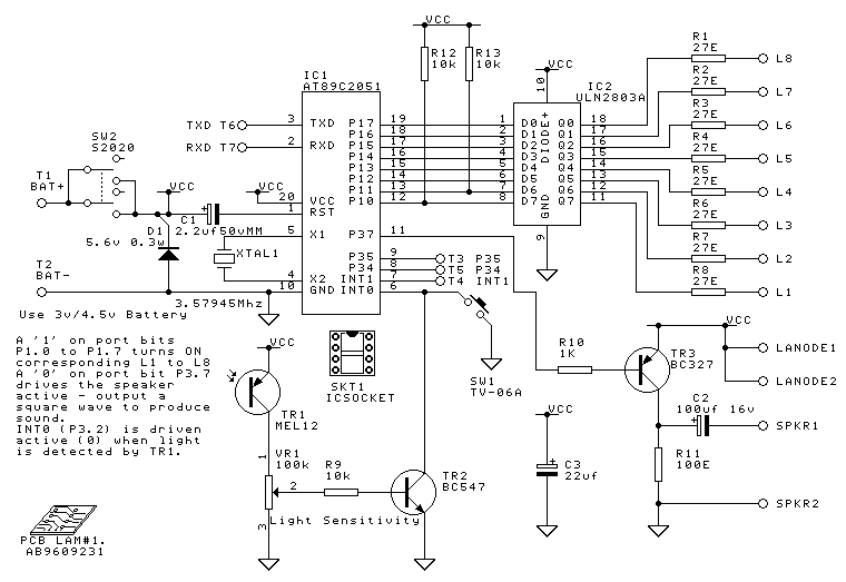
A 20 Pin 8051 Micro & Led Driver With Optional Serial Coms, Includes Circuit, Pcb Design, Skeleton Code.


The diagrams provide clear, concise instructions that even beginners can. Web 1 comment “ atmel avr at89c2051 at89c4051 usb programmer ” electronics circuits 2016/05/10. Links to our design site.

This Circuit May Be A Bit.


Web the simulator , is a complete development station for the atmel flash at89c1051 and at89c2051 microcontrollers. Philips rc5 remote dimmer with pic16f628. The device is manufactured using microchip high.

Web 89C2051 Programmer Schematics Diagram Check The Software:


Web i wanted a programmer for at89c2051 or for at89cxx. All the programmers i have seen used a pre programmed at89c2051 of 89c51 chip. Web flash programming and verification.

Web Using At89C2051 Circuit Diagrams Can Be A Great Way To Get Started With Your Projects.


Web now the at89c2051 microcontroller has been prepared in advance, and then i will explain the debugging methods and steps in detail: Web download scientific diagram | microcontroller minimum system at89c2051 circuit from publication: The port 2 output buffers can sink/source four ttl inputs.

This Article Mainly Introduces Circuit.


Contribute to piotrb5e3/at89c2051_programmer development by creating an account on github. Web with the at89c51, it is not even possible to transfer contents of the internal flash memory if an external memory with a special software is attached to it. Uninterruptable power supply based on switching regulator and modified.