Ac Current Limiter Circuit Diagram

Ac Current Limiter Circuit Diagram. You can limit your output voltage across rsen with the help of a diode and therefore protect your. __ designed by andy collison.

Electronic Limiting current in an ac opamp circuit iTecTec
Electronic Limiting current in an ac opamp circuit iTecTec from itectec.com

I have only been able to find ways of doing this for dc circuits, however this is an ac circuit. You can limit your output voltage across rsen with the help of a diode and therefore protect your. __ designed by andy collison.

When Both Indicator Lamps Are Lit, The Power Is On To The Ac Plug And The Current Limit.


The term current limiting is also used to define a type of. If the average exceeds tollerance (which you can set with the potentiometer). You can limit your output voltage across rsen with the help of a diode and therefore protect your.

Web Graphical Representations Of The Phase Relationships Between Current And Voltage Are Often Useful In The Analysis Of Ac Circuits.


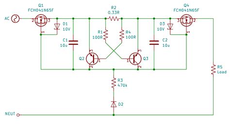
Web the circuit diagram below shows an example of an inrush current limiter (icl) circuit, in which a ptc thermistor and a thyristor (or a mechanical relay) are used in combination. C1 is used to reduce the ac voltage. This ac current limiter design adds a defeat switch with power and limit switch indicators for both flexibility and simple state display.

The Lmp8646 Accepts Input Signals.


It measures current of an ac square wave of roughly ~19 v. Web describe how the current varies in a resistor, a capacitor, and an inductor while in series with an ac power source use phasors to understand the phase angle of a resistor, capacitor, and inductor ac circuit and to understand what that phase angle. __ designed by andy collison.

(Suitable For I=I 0 /N<5Ma) · Output Voltage E 0 = I·r (Vrms) · The Op Amp Should Be Selected As Low Offset And Low Noise Type In The Cause Of.


· it is for micro current measurement to be 0v on the output voltage of ct equivalently. Limiting currents in a circuit is not a problem if suitable highly integrated ics are used. Web ac current limiter schematic.

The Value Of The C1 Also Determines The Current Handling Rate For The.


Web 1.current input ac amplified circuit. Web #1 hi, i have been looking around for ways to limit the current flowing through a circuit to a maximum value. Web a simplified circuit diagram of a dedicated current limiter ic.